| Sign In | Join Free | My chinacsw.com |
|
Brand Name : CAS
Model Number : LS
Certification : -
Place of Origin : Korea
MOQ : 1
Price : Online consultation
Payment Terms : T/T
Supply Ability : 100000+pc+one week
Delivery Time : one week
Packaging Details : Carton
Range : 1t,2t,3t,5t,10t,20t,30
Accuracy Class : <4
product name : Load Cell Module
Material & Plate : Stainless Steel
Temperature range : -20— + 40
readability : 1/3000

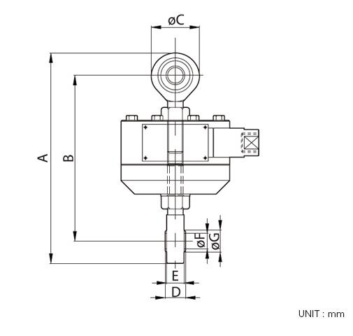
Accessory Assembly (Ball)
| Capa | A | B | C | D | E | F | øG | H | I |
| 1tf | 136 | 90 | 130 | 105 | 210 X 130 | 185 X 105 | 21 | 12 | 12 |
| 2tf | |||||||||
| 3tf | |||||||||
| 5tf | 145 | 99 | 30 | ||||||
| 10tf | 166 | 113 | 160 | 125 | 30 | 14 | |||
| 20tf | 196 | 143 | 200 | 160 | 30 | ||||
| 30tf |

Accessory Assembly (Load Button)
| Capa | A | B | C | D | E | F |
| 1tf | 105 | 59 | 130 | 210 X 130 | 12 | 12 |
| 2tf | ||||||
| 3tf | ||||||
| 5tf | 107 | 61 | ||||
| 10tf | 140 | 80 | 160 | 160 | 14 | 14 |
| 20tf | 175 | 115 | 200 | 200 | ||
| 30tf |

We specialize in the development of industrial scales. CONHON has mature weighing design and production experience, and has professional weighing and research personnel to provide high-quality non-standard weighing equipment design services and comprehensive weighing control system solutions. Make your company's weighing application double the number of performances on the basis of lower operating costs, increase production efficiency, and maximize profits. Welcome to start your relaxing and enjoyable app journey!
|
|
CONHON Load Cell Module Images |